3x6 Винт установочный с внутренним шестигранником и цапфой кл. пр. 12.9 DIN 915 в Москве
Назад в каталог
Купить в один клик
На складе
Марка стали:
в рамках стандарта
Сертификаты:
3965 / 3966 / 3967 / 3968 / 3969 / 3970 / 3971 / 3972
Характеристики:

DIN 915 Винт установочный с внутренним шестигранником и цилиндрическим концом. Конец установочного винта имеет специальную цилиндрическую форму, служащую для фиксации собранных деталей конструкции относительно друг друга.
Материалы:
- Сталь: 45Н
- Сталь с покрытием: гальваническая оцинковка
- Нержавеющая сталь: А1 - А5
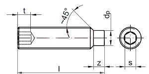
Таблица размеров установочных винтов с внутренним шестигранником DIN 915 (ISO 4028) в мм
Обозначения:
d - номинальный диаметр резьбы
P - шаг резьбы
dp - диаметр цилиндрического конца, макс.
s - размер под шестигранный ключ
t - глубина шлица винта
z - длина цилиндрического конца, макс.
l - длина винта
# - короткие винты
+ - длинные винты

DIN 915 Винт установочный с внутренним шестигранником и цилиндрическим концом. Конец установочного винта имеет специальную цилиндрическую форму, служащую для фиксации собранных деталей конструкции относительно друг друга.
Материалы:
- Сталь: 45Н
- Сталь с покрытием: гальваническая оцинковка
- Нержавеющая сталь: А1 - А5
Таблица размеров установочных винтов с внутренним шестигранником DIN 915 (ISO 4028) в мм
| d | М1,4 | М2 | M3 | M4 | M5 | М6 | М8 | М10 | М12 | М14 | М16 | М20 | М24 | |
| P | 0,3 | 0,4 | 0,5 | 0,7 | 0,8 | 1 | 1,25 | 1,5 | 1,75 | 2 | 2 | 2,5 | 3 | |
| dp | 0,7 | 1 | 2 | 2,5 | 3,5 | 4 | 5,5 | 7 | 8,5 | 10 | 12 | 15 | 18 | |
| s | 0,7 | 0,9 | 1,5 | 2 | 2,5 | 3 | 4 | 5 | 6 | 6 | 8 | 10 | 12 | |
| t | короткие | 0,6 | 0,8 | 1,2 | 1,5 | 2 | 2 | 3 | 4 | 4,8 | 5,6 | 6,4 | 8 | 10 |
| длинные | 1,4 | 1,7 | 2 | 2,5 | 3 | 3,5 | 5 | 6 | 8 | 9 | 10 | 12 | 15 | |
| z | короткие | 0,65 | 0,75 | 1 | 1,25 | 1,5 | 1,75 | 2,25 | 2,75 | 3,25 | 3,8 | 4,3 | 5,3 | 6,3 |
| длинные | 1,05 | 1,25 | 1,75 | 2,25 | 2,75 | 3,25 | 4,3 | 5,3 | 6,3 | 7,36 | 8,36 | 10,36 | 12,43 | |
| l | М1.4 | М2 | М3 | М4 | М5 | М6 | М8 | М10 | М12 | М14 | М16 | М20 | М24 | |
| 2 | # | |||||||||||||
| 2,5 | # | # | ||||||||||||
| 3 | + | # | ||||||||||||
| 4 | + | + | # | |||||||||||
| 5 | + | + | # | # | ||||||||||
| 6 | + | + | + | # | # | |||||||||
| 8 | + | + | + | + | # | # | ||||||||
| 10 | + | + | + | + | + | # | # | |||||||
| 12 | + | + | + | + | + | # | # | |||||||
| 16 | + | + | + | + | + | + | # | # | ||||||
| 20 | + | + | + | + | + | + | # | # | # | |||||
| 25 | + | + | + | + | + | + | # | # | ||||||
| 30 | + | + | + | + | + | + | + | # | ||||||
| 35 | + | + | + | + | + | + | ||||||||
| 40 | + | + | + | + | + | + | + | |||||||
| 45 | + | + | + | + | + | |||||||||
| 50 | + | + | + | + | + | + | ||||||||
| 55 | + | + | ||||||||||||
| 60 | + | + | + | + | ||||||||||
| 70 | + | + | + | + | ||||||||||
| 80 | + | + | + | + | ||||||||||
| 90 | + | + | + | |||||||||||
| 100 | + | + | ||||||||||||
d - номинальный диаметр резьбы
P - шаг резьбы
dp - диаметр цилиндрического конца, макс.
s - размер под шестигранный ключ
t - глубина шлица винта
z - длина цилиндрического конца, макс.
l - длина винта
# - короткие винты
+ - длинные винты
Доставка:
Доставка производится в течении 1-2 дней после подтверждения оплаты. Время доставки предварительно согласуется по телефону.
СТОИМОСТЬ ДОСТАВКИ:
- При заказе товара на сумму до 40 000 руб. весом до 700 кг – стоимость доставки в пределах МКАД 1000 руб.
- При заказе товаров на сумму от 40 000 руб. весом до 1 т бесплатная.
- Стоимость доставки груза свыше 1 т необходимо уточнить у менеджера.
Доставка в регионы России
Мы БЕСПЛАТНО подвозим заказы до транспортных компаний “Деловые линии”, “Регион Групп”, “ПЭК” и “СДЭК”
Доставка товаров по Москве и России:
Доставка по Москве и МОДоставка производится в течении 1-2 дней после подтверждения оплаты. Время доставки предварительно согласуется по телефону.
СТОИМОСТЬ ДОСТАВКИ:
- При заказе товара на сумму до 40 000 руб. весом до 700 кг – стоимость доставки в пределах МКАД 1000 руб.
- При заказе товаров на сумму от 40 000 руб. весом до 1 т бесплатная.
- Стоимость доставки груза свыше 1 т необходимо уточнить у менеджера.
Доставка в регионы России
Мы БЕСПЛАТНО подвозим заказы до транспортных компаний “Деловые линии”, “Регион Групп”, “ПЭК” и “СДЭК”
Заказ будет оформлен кратно упаковкам. Минимальная сумма общего заказа 5000 рублей
3x6 Винт установочный с внутренним шестигранником и цапфой кл. пр. 12.9 DIN 915 по доступным ценам вы всегда можете купить в интернет-магазине «Юниформ Металл» с доставкой со склада в Москве.
Страница товара:
Винт установочный с внутренним шестигранником и цапфой кл. пр. 12.9 DIN 915
Товары из этой категории
Цена за :
по запросу
Цена за :
по запросу
Цена за :
по запросу
Цена за :
по запросу
Цена за :
по запросу
Просмотренные товары
Цена за 1 шт:
по запросу
Цена за 1 шт:
по запросу
Стоимость доставки
Размерные характеристики
Таблица расчета веса
Подождите...